home      Jan/Feb     March/April      Mai/June    July/Aug     Sep/Oct     Nov/Dec

exotic

May / June

RA 16 - 20

Finder charts for all May/June objects as pdf file

Finder charts for ALL exotic objects as pdf file

Abell 2199

A swarm of companions around cD galaxy NGC 6166

16 28 38 +39 33 05

Abell 2199 is a quite special entry in the list of the Abell galaxy clusters, as its central galaxy, NGC 6166, has a brightness of mag 12.4 and is hence visible already with smaller telescopes. All the other galaxies in the vicinity of NGC 6166 has a magnitude of 15 or fainter. NGC 6166 is a typical cD "monster" galaxy, a giant elliptical galaxy, devouring over time all other galaxies in its neighborhood.

At the eyepiece, NGC 6166 is a typical elliptical galaxy without structure, and its "companions" (they are not more than this!) are not visible at all. The field around NGC 6166 appears, however, as if in movement. At higher power, more and more of these little companion galaxies become visible in the field. Many of them cannot be held steadily and appear as fleeting impressions only.

NGC 6240

A Rumpled Starfish

16 52 58 +02 24 01

 

The galaxy NGC 6240 in Ophiuchus bears the proper name Rumpled Starfish. This name reflects the irregular shape of its spiral arms. NGC 6240 is the result of a collision between two galaxies, that finally merged into a single galaxy. In the infrared spectral range, this galaxy is one of the brightest objects in the sky. As a remainder of this merging process, the galaxy harbors two super massive Black Holes in its center, which are the central Black Holes of its progenitors.

 

At the telescope, this galaxy is not a really easy object. It has a brightness of mag 12.8 and a size of about 2'. The galaxy is next to a mag 13 star and, after some time, appears to wind around this star to some extent. At least three of the spiral arms can be made out after careful observation. Two of them are oriented towards N and S, respectively (bent around the star), while another arm is on the W side protruding towards SW.

Although these details are plainly visible in the image, they are not easy to see at the eyepiece and require high power and patience.

 

More about this galaxy by  Greg Crinklaw.

 

To the left are DSS (top) and HST images (lower).

 

HST

M2-9

Minkowski's Butterfly, a proto-planetary nebula

17 05 37 -10 08 32

 

The Butterfly Nebula (Minkowski 2-9) is a small proto-planetary nebula in Ophiuchus. These are the blown-off, but not yet ionized outer shells of dying stars prior to the transition to planetary nebula.  The bizarre shape of this proto PN is thought to be due to the central star being a double star system.

At the eyepiece of my 22" Dob, M 2-9 appears without filter as a small, faint and elongated bipolar nebula around the relatively bright central star.

As the light of a proto PN is scattered and reflected light of the central star, it should be at least partially polarized. As M 2-9 is bright enough, this should be detectable using a polarization filter. With filter, a slight but reliable intensity variation of the nebula was evident when rotating the filter. A more careful examination is hampered by the relatively bright central star.

 

More information about the Butterfly Nebula is here. Here is a time lapse movie, that reveals a presumably precessing jet sweeping through the proto PN over the years.

NGC 6543

Halo structure in the Cat's Eye Nebula

17 58 33 +66 37 59

 

The Cat's Eye Nebula is one of the most spectacular PNe ... if the seeing is right and you can use very high power. If these is not the case, it is a bright greenish blob with a diameter of roughly 20" without much else to be seen.

If you use low power, there is another fainter structure W of the main nebula towards the position of a brighter star. This rectangular condensation bears the designation IC 4677 and appears in some charting programs as a galaxy. This structure is part of an outer halo of the PN and its brightest condensation. This outer halo increases the diameter of the PN from 20" for the inner part to more than 5' for the entire PN.

 

Sharpless 68

A moving PN in Serpens

18 24 58 +00 51 35

 

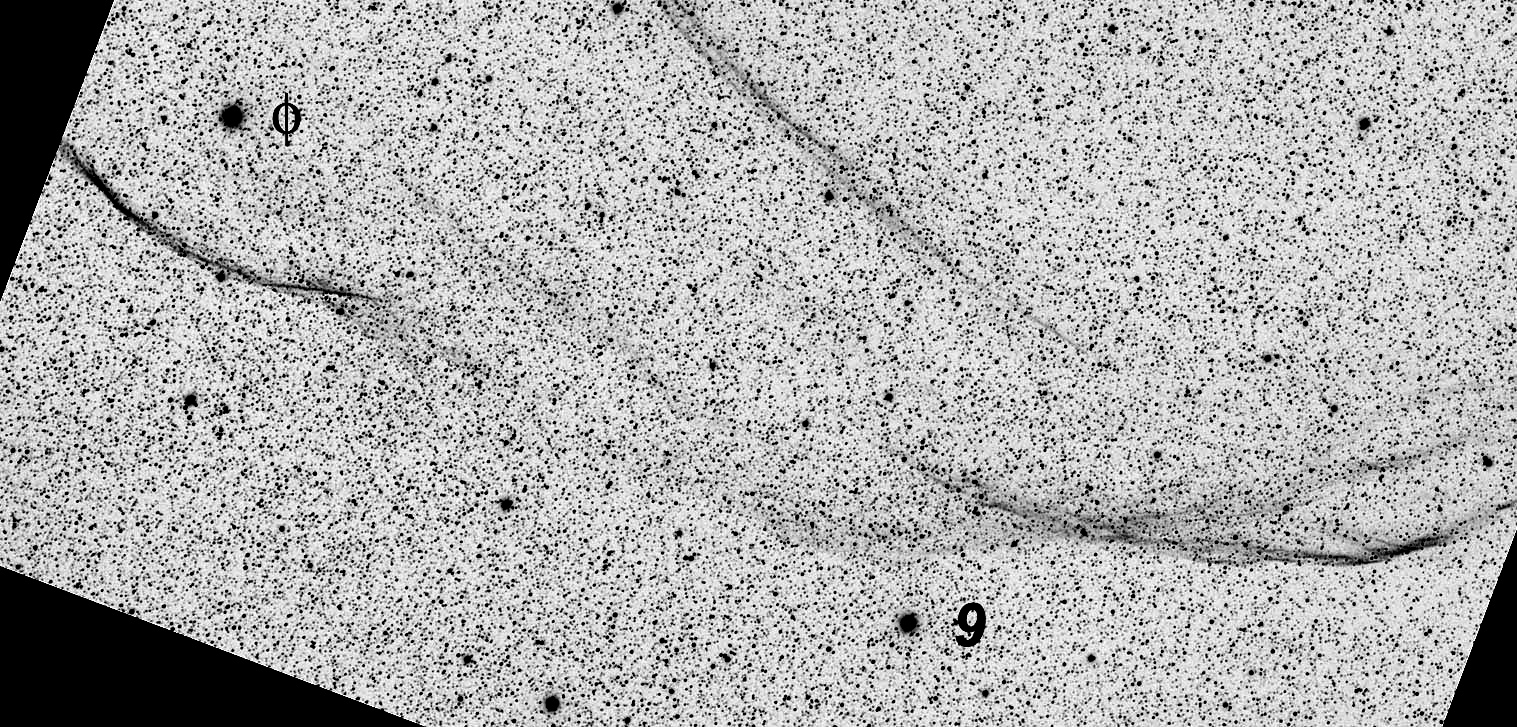
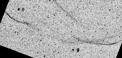
Sharpless 68 is a relatively bright PN with Run-Away central star. Its central star is moving and drags the PN through the interstellar medium (ISM), loosing material on its way (see here and here). This trail through the ISM is marked by the HII structures with their relatively low excitation energy. OIII structures with their higher excitation energy are visible only immediately around the hot central star.

At the eyepiece, Sharpless 68 is one of the easier of the large PN. With OIII filter, it appears as a faint glow with even surface brightness and diffuse edge. The HII emission trailing towards N (see Dean Salman's image) is not visible but can be discerned as a very faint structure on the DSS image to the left.

M22

Red Giants with color vision

18 36 23 -23 54 17

 

From my 48° northern latitude, M22 is not a particularly rewarding globular. It is always close to the horizon and hence much less spectacular than M13. In one of these rare nights with good transparency down to the horizon, M22 becomes one of the most impressive globulars.

During several observations with 16" and 22" Dobs, I notices something special about this globular: The brightest stars appeared without doubt reddish at the eyepiece. I had never observed such an effect for instance with M13 or any other of the brighter globulars. Other observers have confirmed this observation in the mean time.

Why is this? I suppose that this is due to the closeness of M22 with respect to the other bright globulars. The distance of M22 is only 10 400 LYs, while most other bright globulars are much more distant, such as M5 (24 500 LYs), M13 (25 000 LYs) or M15 (33 000LYs). Only M4 is closer with 7 400 LYs, but I haven't taken yet a really close look at this one. With a declination of -26°, it is even further south than M22.

Due to their distance, the brightest stars (Red Giants) in M22 have mag 10.7, while they have only mag 11.9 in M13 and 12.6 in M15.

My presumption is, that the brightness of the brightest stars in M22 is just sufficient to activate red color vision in our retina and to initiate a fleeting impression of red color (using my 22" Dob). With the other globulars, the brightness of the brightest stars appears to be below this threshold, such that only the more sensitive rods deliver a pure monochromatic image of these stars.

If you stumble over this globular next time, give it a try and check for the color of the brightest stars.

Parsamian 21

A "cometary" nebula in Aquila

19 29 00 +09 38 42

 

Parsamian 21 in Aquila is a so-called cometary nebula, which is a purely descriptive term derived from its appearance. In an astrophysical sense, it is a reflection nebula around a new star, a so called Young Stellar Object or short YSO. Here it is a special type, a so-called FU Ori star, which is a young star with sudden and strong variations in brightness.

Par 21 is visually a relatively bright object and immediately visible with my 22" Dob. It is highly elongated and extends from a bright core at one end towards N. Studies revealed the light of Par 21 to be polarized, like that of many reflection nebula. At the telescope,  however, I could not detect any polarization using a polarizing filter.

 

HST

Campbell's Hydrogen Star

A PN for the H-beta filter

19 34 45 +30 30 58

 

Campbell's Hydrogen Star or PK 64+5.1 is a star north of Albireo that is surrounded by a tiny planetary nebula. The light of the mag 11.3 central star, however,  overwhelms the only 5 arcseconds sized PN.

With my 14" Dob, the star appeared at low power prominently orange. At 450x, a tiny halo could be discerned around the central star. With my 22" Dob and good seeing, the central star appeared sharply stellar, surrounded by a small round envelope. The contrast between envelope and star could be strongly enhanced by a H beta filter, making the small disk much more prominent. This is one of the few PN that benefit strongly from H beta, but not at all from OIII filter.

 

More about Campbell's Star is here.

Sharpless 91

Another faint supernova remnant in Cygnus

19 39 +29 57

 

Sharpless 91 is part of a large 3°x4° supernova remnant (G65.3+5.7) north of Albireo, comprising as well the filaments of Sharpless 94 and several more. There are not as many SNRs visible from our latitude as one might think. The brighter ones are the Veil complex, M1, IC 443 and Cassiopeia A. Then there are a few extremely faint ones, such as CTB1, Sharpless 240 (S147), Sharpless 224 and Sharpless 223, which are visually extremely challenging at (or below) the threshold of detection.

 

The brightest part of the SNR is SE of mag 4.7 star phi Cygni, being a fainter copy of the "wave" of the veil next to 51 Cygni. With OIII filter this part of the filament is distinct but faint, both with my 14" and my 22" Dobs. The filament can be traced towards WSW, becoming broader and fainter, getting lost in the Milky Way star field. North of 9 Cygni, it becomes a bit more distinct again and can be traced further beyond that star towards W. Further towards W hints of the splitting of the filament can be discerned.

 

Much more about this SNR is here.

 

The images to the left are from top to bottom:

DSS color composite

DSS blue plate (stretched)

OIII frame by Stephane Zoll

Chart

 

Hubble V (links) und X (rechts) (HST images)

 

Image by Leonardo Orazi with further HII regions

Barnard's Galaxy

Extragalactic HII Regions in a dwarf galaxy

19 44 57 -14 48 11

 

NGC 6822 in the NE corner of Sagittarius is an irregular dwarf galaxy of our Local Group, about two third the distance of M31, the Andromeda Galaxy. Barnard's Galaxy shows no prominent structures such as spiral arms and resembles to some extent the Large Magellanic Cloud. It is, however, smaller and due to its larger distance, considerably fainter.

NGC 6822 was discovered in 1884 by Barnard using a 5" refractor and was described as an extremely faint nebula. 1925, Edwin Hubble examined the galaxy more in detail and described several diffuse nebula within the galaxy, which are giant HII regions. He further examined several Cepheid variable stars, allowing him to determine the distance of the galaxy.

Any observation of Barnard's Galaxy from our latitude is hampered by its position in Sagittarius close to the horizon during the only short summer nights. As this galaxy has a very low surface brightness and is situated in a still pretty star-rich field at the edge of the summer Milky Way, very good transparency is a definitive requirement in addition to a dark location. The central part of the galaxy can be observed as a faint glow that is elongated and approximately 10' long. As Barnard's discovery already suggested: The conditions are important for a successful observation, much more than aperture.

I have observed this galaxy for the first time during two nights in June/July 2006 with good transparency on Schauinsland mountain using my 22" Dob and 150x and 250x, corresponding to 3.7 and 2.2 mm exit pupil. The galaxy appeared as a faint but distinct glow, elongated in N-S direction. Orientation and size could be verified by field stars using a photograph. Field sweeping facilitated a confinement of the galaxy from the background. Interestingly, the glow of the galaxy did not appear to be smooth, but somewhat grainy. The brightest stars of the galaxy reach mag 15 to mag 16, such that the grainy appearance could hint at a beginning resolution of the brightest members.

Already without filter, several distinct HII regions are visible that are grouped in the halo around the central bar of the galaxy. In particular along the N side of the galaxy are several of the brightest of them. Using a UHC filter, they can be verified to be HII regions. Several of these HII regions are more prominent than the galaxy itself, which led to a series of misunderstandings during historical observations. Ten of these supposed HII regions were catalogued by Hubble in his classical paper of 1925 and bear the designations Hubble I to Hubble X.

Edwin Hubble's original paper (Hubble E (1925) NGC 6822, a remote stellar system. Astrophysical Journal 62:409) can be downloaded here . Another very helpful essay by Rich Jakiel is  here, together with more information about the HII regions in NGC 6822. An observing report by Peter Surma with further background information is here.

 

image credit: DSS

home      Jan/Feb     March/April      Mai/June    July/Aug     Sep/Oct     Nov/Dec